PRODUCT CENTER
所有產品
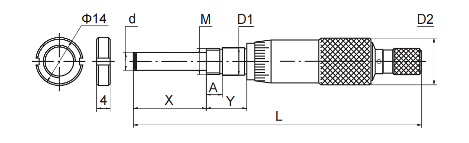
特殊微分(fèn)頭 特殊千分尺
| 測量範圍 | 精度 | 分辨力 |
|---|---|---|
| 0-25mm | 0.004mm | 0.01mm |

| 可選值 | 客戶可選參數或定製 |
|---|---|
| X | 27-34mm |
| Y | 10mm、16.5mm、19mm、29mm |
| A | 0、4mm、Y |
| d | Φ6.5mm、Φ8mm |
| D1 | Φ9.5mm、Φ9.525mm、Φ11mm、 Φ12.7mm、Φ22mm |
| D2 | Φ18mm、Φ21mm、Φ29mm |
| M | M9.5X0.5 M9.525X0.635 M10X0.5 |
| SR | SR5或鑲嵌Φ4.5鋼球 |
| L:65 +X+Y |